SCROLL >> Manage Uploads
BACK Your Portal iew Songs & Music videos
You have to Click HERE to ACTIVATE/LOGIN to view your remaining credits

VIEW INSTRUCTIONS !!



to Click HERE to ACTIVATE/LOGIN to view your remaining credits

Share
190Views

Member Id


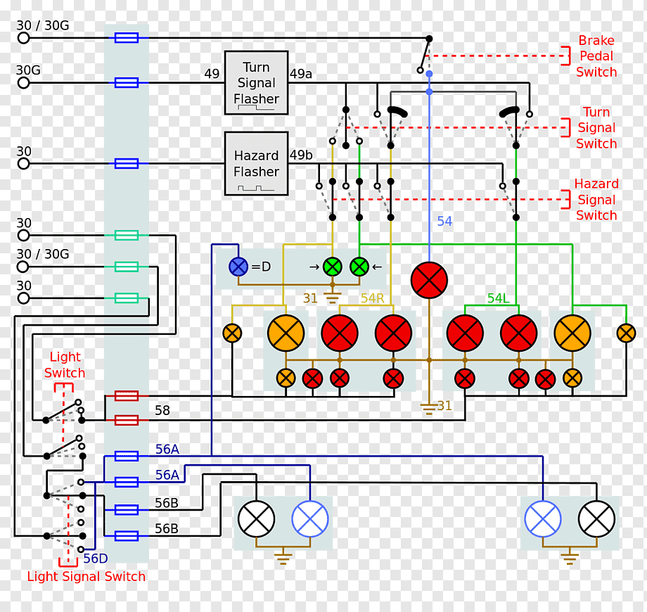
2015-2020 Mercedes Benz S550 Complete Color Coded Wiring Diagrams - Details

By Delroy Young
Youn Need 4999 Credits to access || View Other Listings
190 Views | 0 Comments |

Start Now
0 Comments

DESCRIPTION
The Wiring Diagram is color coded and is useful for all Mercedes Benz in general but was put together for the Mercedes Benz S550 and the W Series. You will also find this proportionately useful for any vehicle Mercedes Bens S Series.
The year is nit going to differ much when it comes to wiring - with respect to the same component or task`s subject matter, so grab access and go in and find what you need.

Other Years
1990 and up Mercedes Benz S550 Complete Color Coded Wiring Diagrams -2014 2913 2012 2011 2010 2009 2008 2007 2006 2005 2004 2003 2002 2001 2000 1991 1992 1993 1994 1995 1996 1997 1998 1999




It is 181 Pages







Related Searches

(1) 2015-2020 Mercedes Benz S550 Fuse Box Color Coded Wiring Diagrams

(2) 2015-2020 Mercedes Benz S550 Instrument Cluster Color Coded Wiring Diagrams

(3) 2015-2020 Mercedes Benz S550 Radio Color Coded Wiring Diagrams

(4) 2015-2020 Mercedes Benz S550 Headlights Color Coded Wiring Diagrams

(5) 2015-2020 Mercedes Benz S550 Lights Color Coded Wiring Diagrams

(6) 2015-2020 Mercedes Benz S550 Tail Lights Color Coded Wiring Diagrams

(7) 2015-2020 Mercedes Benz S550 Indicator Lights Color Coded Wiring Diagrams

(8) 2015-2020 Mercedes Benz S550 Front Wiper and Washer Color Coded Wiring Diagrams

(9) 2015-2020 Mercedes Benz S550 Ground Distribution Color Coded Wiring Diagrams

(10) 2015-2020 Mercedes Benz S550 Headliamp Washer Color Coded Wiring Diagrams

(11) 2015-2020 Mercedes Benz S550 H-L Bus Circuit Color Coded Wiring Diagrams

(12) 2015-2020 Mercedes Benz S550 Heated Seats Color Coded Wiring Diagrams

(13) 2015-2020 Mercedes Benz S550 Horns Color Coded Wiring Diagrams

(14) 2015-2020 Mercedes Benz S550 Interior Lights Color Coded Wiring Diagrams

>

(15) 2015-2020 Mercedes Benz S550 Complete Color Coded Wiring Diagrams

s

(16) 2015-2020 Mercedes Benz S550 ABS Color Coded Wiring Diagrams

(17) 2015-2020 Mercedes Benz S550 Air Condition Color Coded Wiring Diagrams

(18) 2015-2020 Mercedes Benz S550 AC Color Coded Wiring Diagrams

(29) 2015-2020 Mercedes Benz S550 Anti Theft Color Coded Wiring Diagrams

(20) 2015-2020 Mercedes Benz S550 Backup Lamps Color Coded Wiring Diagrams

(21) 2015-2020 Mercedes Benz S550 Body Computer Color Coded Wiring Diagrams

(22) 2015-2020 Mercedes Benz S550 Charging Circuit Color Coded Wiring Diagrams

(23) 2015-2020 Mercedes Benz S550 Coooling Fans Color Coded Wiring Diagrams

(24) 2015-2020 Mercedes Benz S550 Cruise Control Color Coded Wiring Diagrams

(25) 2015-2020 Mercedes Benz S550 Data Link Connector Color Coded Wiring Diagrams

(26) 2015-2020 Mercedes Benz S550 Defogger Color Coded Wiring Diagrams

(27) 2015-2020 Mercedes Benz S550 Door Locks Color Coded Wiring Diagrams

(28) 2015-2020 Mercedes Benz S550 Driver Seat memory Circuit Color Coded Wiring Diagrams

(29) 2015-2020 Mercedes Benz S550 Engine Control 1 Color Coded Wiring Diagrams

(30) 2015-2020 Mercedes Benz S550 Engine Control 2 Color Coded Wiring Diagrams

(31) 2015-2020 Mercedes Benz S550 Engine Control 3 Color Coded Wiring Diagrams

(32) 2015-2020 Mercedes Benz S550 Exterior Lights 1 Color Coded Wiring Diagrams

(33) 2015-2020 Mercedes Benz S550 Exterior Lights 2 Color Coded Wiring Diagrams

(34) 2015-2020 Mercedes Benz S550 Moon Roof Color Coded Wiring Diagrams

(35) 2015-2020 Mercedes Benz S550 ParkTronic 1 Color Coded Wiring Diagrams

(36) 2015-2020 Mercedes Benz S550 ParkTronic 2 Color Coded Wiring Diagrams

(37) 2015-2020 Mercedes Benz S550 Passenger Seat Memory Color Coded Wiring Diagrams

(38) 2015-2020 Mercedes Benz S550 Passive Restrain 1 Color Coded Wiring Diagrams

(39) 2015-2020 Mercedes Benz S550 Passive Restrain 2 Color Coded Wiring Diagrams

(40) 2015-2020 Mercedes Benz S550 Engine Control 2 Color Coded Wiring Diagrams

(41) 2015-2020 Mercedes Benz S550 Passive Restrain 3 Color Coded Wiring Diagrams

(42) 2015-2020 Mercedes Benz S550 Exterior Lights 1 Color Coded Wiring Diagrams

(43) 2015-2020 Mercedes Benz S550 Power Distribution Color Coded Wiring Diagrams

(44) 2015-2020 Mercedes Benz S550 Power Windows Color Coded Wiring Diagrams

(45) 2015-2020 Mercedes Benz S550 Rear Head Restrain Color Coded Wiring Diagrams

(46) 2015-2020 Mercedes Benz S550 Rear Sunshade Color Coded Wiring Diagrams

(47) 2015-2020 Mercedes Benz S550 Rear Wiper Color Coded Wiring Diagrams

(48) 2015-2020 Mercedes Benz S550 Seat Ventilation Color Coded Wiring Diagrams

(49) 2015-2020 Mercedes Benz S550 Shift Interlock Color Coded Wiring Diagrams

(50) 2015-2020 Mercedes Benz S550 Sound System (with Amp) Color Coded Wiring Diagrams

(51) 2015-2020 Mercedes Benz S550 Sound System Color Coded Wiring Diagrams

(52) 2015-2020 Mercedes Benz S550 SRS1 Color Coded Wiring Diagrams

(53) 2015-2020 Mercedes Benz S550 SRS2 Color Coded Wiring Diagrams

(54) 2015-2020 Mercedes Benz S550 Starting Circuit Color Coded Wiring Diagrams

(55) 2015-2020 Mercedes Benz S550 Transmission Circuit Color Coded Wiring Diagrams

(56) 2015-2020 Mercedes Benz S550 Rear Trunk Circuit Color Coded Wiring Diagrams

(57) 2015-2020 Mercedes Benz S550 Trunk Release and Puldown Color Coded Wiring Diagrams

(58) 2015-2020 Mercedes Benz S550 Seat Fuel Color Coded Wiring Diagrams



Related Searches

(1) 2015-2020 Mercedes Benz W126 Fuse Box Color Coded Wiring Diagrams

(2) 2015-2020 Mercedes Benz W126 Instrument Cluster Color Coded Wiring Diagrams

(3) 2015-2020 Mercedes Benz W126 Radio Color Coded Wiring Diagrams

(4) 2015-2020 Mercedes Benz W126 Headlights Color Coded Wiring Diagrams

(5) 2015-2020 Mercedes Benz W126 Lights Color Coded Wiring Diagrams

(6) 2015-2020 Mercedes Benz W126 Tail Lights Color Coded Wiring Diagrams

(7) 2015-2020 Mercedes Benz W126 Indicator Lights Color Coded Wiring Diagrams

(8) 2015-2020 Mercedes Benz W126 Front Wiper and Washer Color Coded Wiring Diagrams

(9) 2015-2020 Mercedes Benz W126 Ground Distribution Color Coded Wiring Diagrams

(10) 2015-2020 Mercedes Benz W126 Headliamp Washer Color Coded Wiring Diagrams

(11) 2015-2020 Mercedes Benz W126 H-L Bus Circuit Color Coded Wiring Diagrams

(12) 2015-2020 Mercedes Benz W126 Heated Seats Color Coded Wiring Diagrams

(13) 2015-2020 Mercedes Benz W126 Horns Color Coded Wiring Diagrams

(14) 2015-2020 Mercedes Benz W126 Interior Lights Color Coded Wiring Diagrams

>

(15) 2015-2020 Mercedes Benz W126 Complete Color Coded Wiring Diagrams

s

(16) 2015-2020 Mercedes Benz W126 ABS Color Coded Wiring Diagrams

(17) 2015-2020 Mercedes Benz W126 Air Condition Color Coded Wiring Diagrams

(18) 2015-2020 Mercedes Benz W126 AC Color Coded Wiring Diagrams

(29) 2015-2020 Mercedes Benz W126 Anti Theft Color Coded Wiring Diagrams

(20) 2015-2020 Mercedes Benz W126 Backup Lamps Color Coded Wiring Diagrams

(21) 2015-2020 Mercedes Benz W126 Body Computer Color Coded Wiring Diagrams

(22) 2015-2020 Mercedes Benz W126 Charging Circuit Color Coded Wiring Diagrams

(23) 2015-2020 Mercedes Benz W126 Coooling Fans Color Coded Wiring Diagrams

(24) 2015-2020 Mercedes Benz W126 Cruise Control Color Coded Wiring Diagrams

(25) 2015-2020 Mercedes Benz W126 Data Link Connector Color Coded Wiring Diagrams

(26) 2015-2020 Mercedes Benz W126 Defogger Color Coded Wiring Diagrams

(27) 2015-2020 Mercedes Benz W126 Door Locks Color Coded Wiring Diagrams

(28) 2015-2020 Mercedes Benz W126 Driver Seat memory Circuit Color Coded Wiring Diagrams

(29) 2015-2020 Mercedes Benz W126 Engine Control 1 Color Coded Wiring Diagrams

(30) 2015-2020 Mercedes Benz W126 Engine Control 2 Color Coded Wiring Diagrams

(31) 2015-2020 Mercedes Benz W126 Engine Control 3 Color Coded Wiring Diagrams

(32) 2015-2020 Mercedes Benz W126 Exterior Lights 1 Color Coded Wiring Diagrams

(33) 2015-2020 Mercedes Benz W126 Exterior Lights 2 Color Coded Wiring Diagrams

(34) 2015-2020 Mercedes Benz W126 Moon Roof Color Coded Wiring Diagrams

(35) 2015-2020 Mercedes Benz W126 ParkTronic 1 Color Coded Wiring Diagrams

(36) 2015-2020 Mercedes Benz W126 ParkTronic 2 Color Coded Wiring Diagrams

(37) 2015-2020 Mercedes Benz W126 Passenger Seat Memory Color Coded Wiring Diagrams

(38) 2015-2020 Mercedes Benz W126 Passive Restrain 1 Color Coded Wiring Diagrams

(39) 2015-2020 Mercedes Benz W126 Passive Restrain 2 Color Coded Wiring Diagrams

(40) 2015-2020 Mercedes Benz W126 Engine Control 2 Color Coded Wiring Diagrams

(41) 2015-2020 Mercedes Benz W126 Passive Restrain 3 Color Coded Wiring Diagrams

(42) 2015-2020 Mercedes Benz W126 Exterior Lights 1 Color Coded Wiring Diagrams

(43) 2015-2020 Mercedes Benz W126 Power Distribution Color Coded Wiring Diagrams

(44) 2015-2020 Mercedes Benz W126 Power Windows Color Coded Wiring Diagrams

(45) 2015-2020 Mercedes Benz W126 Rear Head Restrain Color Coded Wiring Diagrams

(46) 2015-2020 Mercedes Benz W126 Rear Sunshade Color Coded Wiring Diagrams

(47) 2015-2020 Mercedes Benz W126 Rear Wiper Color Coded Wiring Diagrams

(48) 2015-2020 Mercedes Benz W126 Seat Ventilation Color Coded Wiring Diagrams

(49) 2015-2020 Mercedes Benz W126 Shift Interlock Color Coded Wiring Diagrams

(50) 2015-2020 Mercedes href="https://www.thelocalteller.com/?vd=1938&tac=books" data-ajax="false"> 2015-2020 Mercedes Benz W126 Sound System Color Coded Wiring Diagrams

(52) 2015-2020 Mercedes Benz W126 SRS1 Color Coded Wiring Diagrams

(53) 2015-2020 Mercedes Benz W126 SRS2 Color Coded Wiring Diagrams

(54) 2015-2020 Mercedes Benz W126 Starting Circuit Color Coded Wiring Diagrams

(55) 2015-2020 Mercedes Benz W126 Transmission Circuit Color Coded Wiring Diagrams

(56) 2015-2020 Mercedes Benz W126 Rear Trunk Circuit Color Coded Wiring Diagrams

(57) 2015-2020 Mercedes Benz W126 Trunk Release and Puldown Color Coded Wiring Diagrams

(58) 2015-2020 Mercedes Benz W126 Seat Fuel Color Coded Wiring Diagrams

Related Searches

(1) 2015-2020 Mercedes Benz W123 Fuse Box Color Coded Wiring Diagrams

(2) 2015-2020 Mercedes Benz W123 Instrument Cluster Color Coded Wiring Diagrams

(3) 2015-2020 Mercedes Benz W123 Radio Color Coded Wiring Diagrams

(4) 2015-2020 Mercedes Benz W123 Headlights Color Coded Wiring Diagrams

(5) 2015-2020 Mercedes Benz W123 Lights Color Coded Wiring Diagrams

(6) 2015-2020 Mercedes Benz W123 Tail Lights Color Coded Wiring Diagrams

(7) 2015-2020 Mercedes Benz W123 Indicator Lights Color Coded Wiring Diagrams

(8) 2015-2020 Mercedes Benz W123 Front Wiper and Washer Color Coded Wiring Diagrams

(9) 2015-2020 Mercedes Benz W123 Ground Distribution Color Coded Wiring Diagrams

(10) 2015-2020 Mercedes Benz W123 Headliamp Washer Color Coded Wiring Diagrams

(11) 2015-2020 Mercedes Benz W123 H-L Bus Circuit Color Coded Wiring Diagrams

(12) 2015-2020 Mercedes Benz W123 Heated Seats Color Coded Wiring Diagrams

(13) 2015-2020 Mercedes Benz W123 Horns Color Coded Wiring Diagrams

(14) 2015-2020 Mercedes Benz W123 Interior Lights Color Coded Wiring Diagrams

>

(15) 2015-2020 Mercedes Benz W123 Complete Color Coded Wiring Diagrams

s

(16) 2015-2020 Mercedes Benz W123 ABS Color Coded Wiring Diagrams

(17) 2015-2020 Mercedes Benz W123 Air Condition Color Coded Wiring Diagrams

(18) 2015-2020 Mercedes Benz W123 AC Color Coded Wiring Diagrams

(29) 2015-2020 Mercedes Benz W123 Anti Theft Color Coded Wiring Diagrams

(20) 2015-2020 Mercedes Benz W123 Backup Lamps Color Coded Wiring Diagrams

(21) 2015-2020 Mercedes Benz W123 Body Computer Color Coded Wiring Diagrams

(22) 2015-2020 Mercedes Benz W123 Charging Circuit Color Coded Wiring Diagrams

(23) 2015-2020 Mercedes Benz W123 Coooling Fans Color Coded Wiring Diagrams

(24) 2015-2020 Mercedes Benz W123 Cruise Control Color Coded Wiring Diagrams

(25) 2015-2020 Mercedes Benz W123 Data Link Connector Color Coded Wiring Diagrams

(26) 2015-2020 Mercedes Benz W123 Defogger Color Coded Wiring Diagrams

(27) 2015-2020 Mercedes Benz W123 Door Locks Color Coded Wiring Diagrams

(28) 2015-2020 Mercedes Benz W123 Driver Seat memory Circuit Color Coded Wiring Diagrams

(29) 2015-2020 Mercedes Benz W123 Engine Control 1 Color Coded Wiring Diagrams

(30) 2015-2020 Mercedes Benz W123 Engine Control 2 Color Coded Wiring Diagrams

(31) 2015-2020 Mercedes Benz W123 Engine Control 3 Color Coded Wiring Diagrams

(32) 2015-2020 Mercedes Benz W123 Exterior Lights 1 Color Coded Wiring Diagrams

(33) 2015-2020 Mercedes Benz W123 Exterior Lights 2 Color Coded Wiring Diagrams

(34) 2015-2020 Mercedes Benz W123 Moon Roof Color Coded Wiring Diagrams

(35) 2015-2020 Mercedes Benz W123 ParkTronic 1 Color Coded Wiring Diagrams

(36) 2015-2020 Mercedes Benz W123 ParkTronic 2 Color Coded Wiring Diagrams

(37) 2015-2020 Mercedes Benz W123 Passenger Seat Memory Color Coded Wiring Diagrams

(38) 2015-2020 Mercedes Benz W123 Passive Restrain 1 Color Coded Wiring Diagrams

(39) 2015-2020 Mercedes Benz W123 Passive Restrain 2 Color Coded Wiring Diagrams

(40) 2015-2020 Mercedes Benz W123 Engine Control 2 Color Coded Wiring Diagrams

(41) 2015-2020 Mercedes Benz W123 Passive Restrain 3 Color Coded Wiring Diagrams

(42) 2015-2020 Mercedes Benz W123 Exterior Lights 1 Color Coded Wiring Diagrams

(43) 2015-2020 Mercedes Benz W123 Power Distribution Color Coded Wiring Diagrams

(44) 2015-2020 Mercedes Benz W123 Power Windows Color Coded Wiring Diagrams

(45) 2015-2020 Mercedes Benz W123 Rear Head Restrain Color Coded Wiring Diagrams

(46) 2015-2020 Mercedes Benz W123 Rear Sunshade Color Coded Wiring Diagrams

(47) 2015-2020 Mercedes Benz W123 Rear Wiper Color Coded Wiring Diagrams

(48) 2015-2020 Mercedes Benz W123 Seat Ventilation Color Coded Wiring Diagrams

(49) 2015-2020 Mercedes Benz W123 Shift Interlock Color Coded Wiring Diagrams

(50) 2015-2020 Mercedes href="https://www.thelocalteller.com/?vd=1938&tac=books" data-ajax="false"> 2015-2020 Mercedes Benz W123 Sound System Color Coded Wiring Diagrams

(52) 2015-2020 Mercedes Benz W123 SRS1 Color Coded Wiring Diagrams

(53) 2015-2020 Mercedes Benz W123 SRS2 Color Coded Wiring Diagrams

(54) 2015-2020 Mercedes Benz W123 Starting Circuit Color Coded Wiring Diagrams

(55) 2015-2020 Mercedes Benz W123 Transmission Circuit Color Coded Wiring Diagrams

(56) 2015-2020 Mercedes Benz W123 Rear Trunk Circuit Color Coded Wiring Diagrams

(57) 2015-2020 Mercedes Benz W123 Trunk Release and Puldown Color Coded Wiring Diagrams

(58) 2015-2020 Mercedes Benz W123 Seat Fuel Color Coded Wiring Diagrams

Related Searches

(1) 2015-2020 Mercedes Benz W124 Fuse Box Color Coded Wiring Diagrams

(2) 2015-2020 Mercedes Benz W124 Instrument Cluster Color Coded Wiring Diagrams

(3) 2015-2020 Mercedes Benz W124 Radio Color Coded Wiring Diagrams

(4) 2015-2020 Mercedes Benz W124 Headlights Color Coded Wiring Diagrams

(5) 2015-2020 Mercedes Benz W124 Lights Color Coded Wiring Diagrams

(6) 2015-2020 Mercedes Benz W124 Tail Lights Color Coded Wiring Diagrams

(7) 2015-2020 Mercedes Benz W124 Indicator Lights Color Coded Wiring Diagrams

(8) 2015-2020 Mercedes Benz W124 Front Wiper and Washer Color Coded Wiring Diagrams

(9) 2015-2020 Mercedes Benz W124 Ground Distribution Color Coded Wiring Diagrams

(10) 2015-2020 Mercedes Benz W124 Headliamp Washer Color Coded Wiring Diagrams

(11) 2015-2020 Mercedes Benz W124 H-L Bus Circuit Color Coded Wiring Diagrams

(12) 2015-2020 Mercedes Benz W124 Heated Seats Color Coded Wiring Diagrams

(13) 2015-2020 Mercedes Benz W124 Horns Color Coded Wiring Diagrams

(14) 2015-2020 Mercedes Benz W124 Interior Lights Color Coded Wiring Diagrams

>

(15) 2015-2020 Mercedes Benz W124 Complete Color Coded Wiring Diagrams

s

(16) 2015-2020 Mercedes Benz W124 ABS Color Coded Wiring Diagrams

(17) 2015-2020 Mercedes Benz W124 Air Condition Color Coded Wiring Diagrams

(18) 2015-2020 Mercedes Benz W124 AC Color Coded Wiring Diagrams

(29) 2015-2020 Mercedes Benz W124 Anti Theft Color Coded Wiring Diagrams

(20) 2015-2020 Mercedes Benz W124 Backup Lamps Color Coded Wiring Diagrams

(21) 2015-2020 Mercedes Benz W124 Body Computer Color Coded Wiring Diagrams

(22) 2015-2020 Mercedes Benz W124 Charging Circuit Color Coded Wiring Diagrams

(23) 2015-2020 Mercedes Benz W124 Coooling Fans Color Coded Wiring Diagrams

(24) 2015-2020 Mercedes Benz W124 Cruise Control Color Coded Wiring Diagrams

(25) 2015-2020 Mercedes Benz W124 Data Link Connector Color Coded Wiring Diagrams

(26) 2015-2020 Mercedes Benz W124 Defogger Color Coded Wiring Diagrams

(27) 2015-2020 Mercedes Benz W124 Door Locks Color Coded Wiring Diagrams

(28) 2015-2020 Mercedes Benz W124 Driver Seat memory Circuit Color Coded Wiring Diagrams

(29) 2015-2020 Mercedes Benz W124 Engine Control 1 Color Coded Wiring Diagrams

(30) 2015-2020 Mercedes Benz W124 Engine Control 2 Color Coded Wiring Diagrams

(31) 2015-2020 Mercedes Benz W124 Engine Control 3 Color Coded Wiring Diagrams

(32) 2015-2020 Mercedes Benz W124 Exterior Lights 1 Color Coded Wiring Diagrams

(33) 2015-2020 Mercedes Benz W124 Exterior Lights 2 Color Coded Wiring Diagrams

(34) 2015-2020 Mercedes Benz W124 Moon Roof Color Coded Wiring Diagrams

(35) 2015-2020 Mercedes Benz W124 ParkTronic 1 Color Coded Wiring Diagrams

(36) 2015-2020 Mercedes Benz W124 ParkTronic 2 Color Coded Wiring Diagrams

(37) 2015-2020 Mercedes Benz W124 Passenger Seat Memory Color Coded Wiring Diagrams

(38) 2015-2020 Mercedes Benz W124 Passive Restrain 1 Color Coded Wiring Diagrams

(39) 2015-2020 Mercedes Benz W124 Passive Restrain 2 Color Coded Wiring Diagrams

(40) 2015-2020 Mercedes Benz W124 Engine Control 2 Color Coded Wiring Diagrams

(41) 2015-2020 Mercedes Benz W124 Passive Restrain 3 Color Coded Wiring Diagrams

(42) 2015-2020 Mercedes Benz W124 Exterior Lights 1 Color Coded Wiring Diagrams

(43) 2015-2020 Mercedes Benz W124 Power Distribution Color Coded Wiring Diagrams

(44) 2015-2020 Mercedes Benz W124 Power Windows Color Coded Wiring Diagrams

(45) 2015-2020 Mercedes Benz W124 Rear Head Restrain Color Coded Wiring Diagrams

(46) 2015-2020 Mercedes Benz W124 Rear Sunshade Color Coded Wiring Diagrams

(47) 2015-2020 Mercedes Benz W124 Rear Wiper Color Coded Wiring Diagrams

(48) 2015-2020 Mercedes Benz W124 Seat Ventilation Color Coded Wiring Diagrams

(49) 2015-2020 Mercedes Benz W124 Shift Interlock Color Coded Wiring Diagrams

(50) 2015-2020 Mercedes href="https://www.thelocalteller.com/?vd=1938&tac=books" data-ajax="false"> 2015-2020 Mercedes Benz W124 Sound System Color Coded Wiring Diagrams

(52) 2015-2020 Mercedes Benz W124 SRS1 Color Coded Wiring Diagrams

(53) 2015-2020 Mercedes Benz W124 SRS2 Color Coded Wiring Diagrams

(54) 2015-2020 Mercedes Benz W124 Starting Circuit Color Coded Wiring Diagrams

(55) 2015-2020 Mercedes Benz W124 Transmission Circuit Color Coded Wiring Diagrams

(56) 2015-2020 Mercedes Benz W124 Rear Trunk Circuit Color Coded Wiring Diagrams

(57) 2015-2020 Mercedes Benz W124 Trunk Release and Puldown Color Coded Wiring Diagrams

(58) 2015-2020 Mercedes Benz W124 Seat Fuel Color Coded Wiring Diagrams